Twój najbardziej niezawodny dostawca B2B na rynku!

SKF  |  SKU: L.7006 CDGA/P4A SKF -- 7006 CDGA/P4A

SKF 7006 CDGA/P4A łożysko wrzeciona


Wariant
578,00 zł
W tym podatek Koszt wysyłki obliczany jest podczas realizacji transakcji.

Netflix jako prezent

Tradycyjnie, kup za ponad 20 000 CZK i otrzymaj kupon Netflix o wartości 400 CZK

Opis

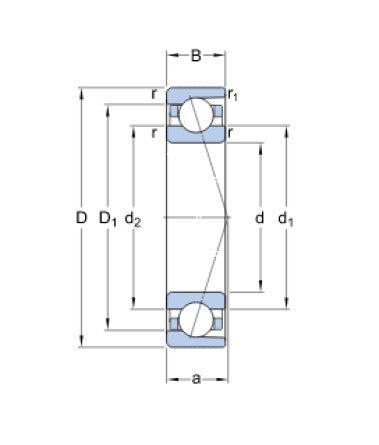
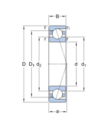
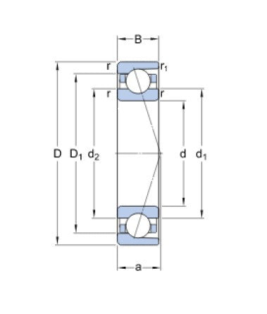
SKF 7006 CDGA/P4A – precyzyjne, nierozbieralne łożysko kulkowe jednorzędowe z kątowym stykiem, ze stycznym kątem 15°, lekką koszyczką z fenolowej żywicy wzmocnionej tkaniną tekstylną, prowadzone w zewnętrznym pierścieniu, uniwersalnie parowalne z lekkim wstępnym naprężeniem. Łożysko może przenosić obciążenia osiowe tylko w jednym kierunku, dlatego zwykle jest ustawione przeciwko drugiemu łożysku. Wnętrzna luz łożysk kulkowych jednorzędowych z kątem styku jest osiągany dopiero po montażu i zależy od ustawienia osiowego położenia względem drugiego łożyska, które zapewnia prowadzenie osiowe w przeciwnym kierunku. Łożyska do uniwersalnego parowania montowane są parami i produkowane tak, aby podczas montażu dla obciążenia osiowego w jednym kierunku, tj. w tandemie, lub dla obciążenia osiowego w obu kierunkach, tj. twarzą do siebie w \"O\" lub twarzami do siebie w \"X\", osiągnięto wcześniej ustalony luz wewnętrzny lub naprężenie, albo równomierne rozłożenie obciążenia bez użycia podkładek wyrównujących.

Parametry

Średnica D (mm):

55

Szerokość A (mm):

12,3

Szerokość B (mm):

13

Temperatura maksymalna °C:

+100

Typ:

łożysko wrzecionowe

Kąt (°):

15°

Oznaczenie:

7006 CDGA/P4A

PYTANIE DO DEALERA

SKF

SKF 7006 CDGA/P4A łożysko wrzeciona

578,00 zł
SKF 7006 CDGA/P4A - precyzyjne nierozłączne łożysko kulkowe skośne jednorzędowe, o kącie działania 15°, z lekkim koszykiem z żywicy fenolowej wzmocnionym tkaniną tekstylną, prowadzonym przez gniazdo pierścienia zewnętrznego, uniwersalnie montowane, z lekkim napięciem wstępnym. Łożysko może przenosić obciążenia osiowe tylko w jednym kierunku, dlatego zwykle jest osadzone naprzeciwko innego łożyska. Luz wewnętrzny w łożyskach kulkowych skośnych jednorzędowych uzyskuje się dopiero po montażu i zależy on od regulacji położenia osiowego względem drugiego łożyska, które zapewnia prowadzenie osiowe w przeciwnym kierunku. Uniwersalne łożyska pasowane montuje się parami i są produkowane w taki sposób, że po zmontowaniu dla obciążenia osiowego w jednym kierunku, tj. w układzie tandem, lub dla obciążenia osiowego w obu kierunkach, tj. tyłem do siebie w układzie \O\" lub przodem do tyłu w układzie \""X\", uzyskuje się ustalony luz wewnętrzny, napięcie wstępne lub równomierny rozkład obciążenia bez użycia podkładek.

Wariant

  • Opcja domyślna
Zobacz produkt